Note d'application des kit audio e-Gizmo
Par Born2beWired, (www.elab.ph)
Traduction française : 2013, Pascal Chour, www.pascalchour.fr
Introduction
Vous avez donc réalisé un amplificateur audio qui fonctionne parfaitement lorsqu'il est testé seul. Vous venez aussi de terminer la construction d'un pré-amplificateur séparé qui fonctionne également parfaitement. Mais lorsque finalement vous combinez les deux, rien ne semble fonctionner correctement.
Vous entendez un fort bruit même lorsque le volume est réglé au minimum. La musique n'est pas restituée correctement. Votre artiste favori sonne visiblement différemment. Vous entendez des sons bizarres dont vous savez qu'ils ne sont pas supposés être là.
Cela vous rappelle une expérience trop familière n'est-ce pas ? Ne vous flattez pas en pensant que vous êtes le seul à avoir été confronté à ce type de problème. Même les amateurs accomplis ne sont pas immunisés contre ces phénomènes. En fait, c'est un problème très courant auquel tout amateur dans le domaine de l'audio doit faire face de temps en temps.
Le débutant jettera probablement un œil accusateur sur les composants, voire, sur le circuit lui même et verra en eux la source du problème. Avec comme conséquence qu'il dépensera son temps sans compter pour essayer de le régler sans pour autant trouver une solution stable.
Si ce ne sont pas les composants ou le circuit, qu'elle est la cause de tout ces problèmes ?
Une masse pas si parfaite que cela
Souvent, on nous a appris à l'école l'approche simpliste qui considère que tous les points à la masse sont au potentiel de zéro volts. Cette supposition, dans la plupart des cas, n'est vraie que sur le papier. Considérons une installation audio telle que montrée en figure 1a.et observons la façon dont les masses sont connectées. Si cet ensemble est physiquement câblé exactement comme sur le schéma, nous ne noterons à priori aucun problème de potentiel. C'est parce que nous sommes prêts à accepter qu'en tous points, la masse est au même potentiel de 0V.
Le problème est, comme pour le reste, que les choses fonctionnent un peu différemment dans le monde réel. La Nature a décrété qu'un circuit de masse parfait n'existait tout simplement pas. Un circuit de masse parfait ne peut pas exister parce que dans le monde réel, les conducteurs n'ont pas de résistance nulle. En fait, le cuivre, le conducteur le plus couramment utilisé en électronique, ne sera jamais totalement supraconducteur (0 ohm) même si vous êtes proche du zéro absolu.
Partant de ce fait, retournons à notre ensemble audio, en révélant cette fois-ci les résistances dues au câblage, telles qu'elles apparaissent à chaque jonction comme montré en figure 1b. Selon la loi d'ohm, si un courant passe dans un conducteur, une différence de potentiel se manifestera à travers lui. Cela se produit en alternatif (CA), en continu (CC) ou dans une combinaison des deux et dépend de l'activité de chaque dérivation dans le câblage.

Figure 1a. Une installation audio typique montrant le câblage de la masse. Nous avons tendance à voir ce câblage de masse d'une façon idéale qui est que tous les points sont a même potentiel de 0V

Figure 1b. Dans le monde réel, chaque portion des connections de masse a une résistance ohmique mesurable qui lui est associée. Si nous incluons cela dans le schéma, en même temps que la tension associée qui se développe à travers elle, les mauvais effets potentiels deviennent assez évidents.
Maintenant, il est évident que nous allons avoir un problème à régler. Ces différences de potentiels peuvent être petites, mais il s'agit néanmoins de différences de potentiel et elles aiment apparaître aux mauvais endroits dans votre circuit.
S'il vous arrive de travailler sur des circuits disposant d'une grande immunité aux bruits, comme par exemple, les circuits logiques, ce n'est pas forcément un problème. Mais si vous êtes en train de travailler avec des circuits linéaires et sensibles (un amplificateur audio tombe dans cette catégorie), les choses commencent à devenir réellement intéressantes.
Les boucles de masses
Les différences de potentiel non souhaitées causent invariablement une circulation de courant. Ces courants non désirés sont collectivement appelés « boucles de masse », et il s'agit d'une des principales cause de bruits, de distorsions et autres bruits indésirables en provenance de votre installation audio.
Mais ce n'est pas parce que vous ne pouvez avoir un circuit de masse parfait que cela signifie que vous ne pouvez pas combattre les effets négatifs qu'il génère.
A première vue, faire baisser la résistance ohmique semble la solution logique. Mais surprise, ce n'est pas toujours une option praticable.
Une meilleure solution et de faire en sorte que le signal ne soit pas contaminé par ces courants indésirables. Cela peut sembler simple mais en réalité, c'est plus facile à dire qu'à faire.
Vous devez acquérir des compétences et cela prend du temps. La bonne nouvelle est que ce n'est pas trop compliqué. La mauvaise nouvelle est que ce n'est pas simple non plus. Beaucoup de pratique et une grande patience sont nécessaires.
Dans cette discussion nous formulerons quelques règles simples de câblage que vous pourrez suivre sans avoir à vous plonger dans les tenants et aboutissants. En d'autres termes, nous passerons sur les détails – de toute façon, vous ne seriez pas assez patients pour cela.
Nous ne resterons donc qu'au niveau de l'interconnexion des sous-ensembles mais vous devez être être conscient que si les circuits imprimés eux-mêmes sont mal conçus, tous ce dont nous allons discuter ne sera pas d'une grande aide.
Règles de câblage
Règle n° 1 – les masses doivent être connectées en un seul point.
C'est probablement la règle la plus importante. évitez les connexions multiples de masses. Les équipements audio n'aiment pas avoir trop de chemins de masses. Par exemple, si votre amplificateur est monté dans un coffret conducteur/métallique, le coffret lui même peut déjà être connecté à un point de masse (par exemple, la masse du pont de diode). Dans ce cas, mettre les masses des connecteurs d'entrées (par exemple, les prises RCA) en contact avec le coffret va créer une boucle de masse ce qui est par conséquent une mauvaise idée. C'est une erreur courante des amateurs qui réalisent leur amplificateur.
Règle n° 2 – séparez les chemins de masse entre les circuits « courants faibles » et les circuits de puissance.
La partie qui réalise l'amplification de puissance draine un courant important et par conséquent, pourrait facilement générer des courants de masse appréciables. De ce fait, pour minimiser l'influence de la partie de puissance sur la partie « courants faibles » (les préamplificateurs, la sélection d'entrées), une alimentation isolée dédiée est préférable.
Une alimentation isolée dédiée est un circuit qui n'est pas électriquement connecté avec l'alimentation de l'amplificateur de puissance. Il peut avoir sont propre circuit de redressement connecté à des enroulements séparés d'un transformateur commun aux deux sections (fig.3). La figure 4 montre comment l'alimentation isolée doit être connectée aux circuits « courants faibles ». Remarquez comment l'alimentation basse puissance est connectée à la masse d'un seul sous-ensemble. La règle n° 1 impose que rien d'autre ne devrait être connecté à un autre point du circuit de masse.

Figure 3. Une configuration d'alimentation d'amplificateur de puissance. L'isolation électrique entre les deux alimentations basse-tension se fait à travers les deux enroulements séparés du transformateur.

Figure 4. Connexions de masse recommandées pour un système d'amplification audio. Cette illustration montre l'installation, qui utilise une alimentation séparée pour la partie courants forts et la partie courants faibles. Remarquez comment est connecté la masse d'étage en étage – seulement à travers les entrées et sorties des différents étages. Puisque le préampli et la source audio partagent la même alimentation, l'addition d'une connexion de masse telle que représentée par la ligne ce qui doit être évité.
Considérons ce qui se passe si vous connectez la masse de l'alimentation basse puissance à celle de l'alimentation de puissance, comme illustré par la ligne rouge pointillée de la figure 5. Les deux points de masse créent maintenant une boucle de masse, comme indiqué par le chemin en rouge. C'est une erreur très courante et c'est la quasi-garantie que votre équipement audio génèrera du bruit comme un fou et/ou sonnera bizarrement.
Si pour quelque raison que ce soit, la masse de l'alimentation de puissance ne peut être déconnectée de la masse générale, alors, la masse de l'alimentation basse puissance doit être déconnectée. Je dois réaffirmer que si ce qui vient d'être mentionné peut diminuer le bruit, ce ne peut être d'une grande efficacité pour réduire la distorsion globale.

Figure 5. Ce schéma met en évidence le cas le plus difficile ainsi que l'erreur la plus courante. - une connexion de masse (ligne rouge pointillée) connectant directement les masses des deux alimentations. Cela créé une boucle de masse qui passe à travers l'alimentation fort et faible courants. Bourdonnement et distordions sont inévitables.
S'il n'est pas possible de disposer d'une alimentation isolée et séparée, alors la règle n° 3 devient encore plus importante pour votre installation.
Règle n° 3 : effectuez les connexions via les masses des entrées et sorties seulement.
Si vous regardez attentivement, vous noterez que les sous-ensembles audio ont des masses associées aux entrées et aux sorties en plus de la masse associée à l'alimentation. Bien sur, ces points de masse sont tous connectés ensembles mais maintenant, vous êtes conscients qu'ils ne sont pas électriquement au même potentiel. La figure 4 vous a déjà montré la façon correcte de connecter une sortie à un autre étage d'entrée. La masse de la sortie de l'étage précédent devrait être connecté directement et seulement à la masse de l'entrée de l'étage suivant. C'est une règle simple mais très importante. Connecter les masses d'une autre façon ne fera que générer des problèmes.
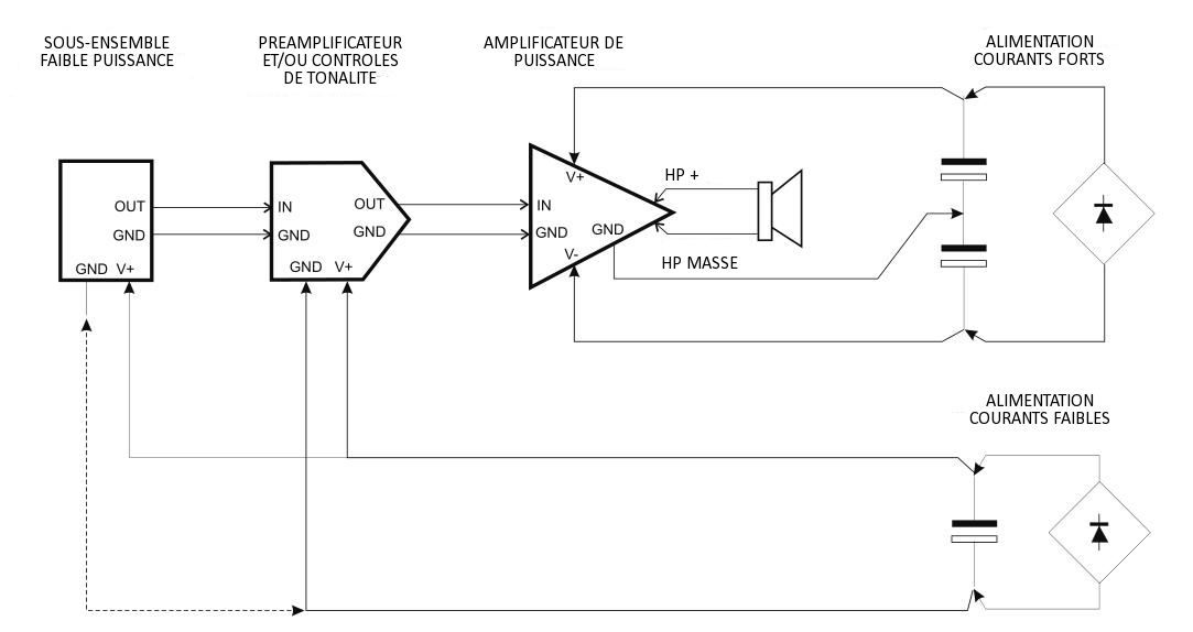
Comme mentionné dans la dernière partie de la règle 2, cela devient encore plus important si l'alimentation est partagée entre l'amplificateur de puissance et la partie basse puissance dans le cas où les alimentations ne sont pas séparées. La figure 6 montre comment les sous-ensembles doivent être interconnectés. Notez que les masses des alimentations des sous-ensembles « basse puissance » ne sont pas connectées ! La masse de l'alimentation est transportée seulement via les masses des entrées et sorties.
Conclusion
Certes, cette courte discussion pourrait ne pas couvrir tout ce qu'il est nécessaire de connaître. Nous avons juste effleuré le sujet. Nous n'avons pas discuté de blindage, terre de protection et autres points importants. Mais ce que nous avons couvert jusqu'ici est probablement suffisant pour faire de vous quelqu'un de mieux équipé en dépannage et en résolution des principaux ennuis que sont le bruit et la distorsion lors de la construction d'une installation audio.
Une chose importante à noter – les problèmes causés par les boucles de masse se traduisent d'habitude par des bruits à 100Hz. Le bruit de 50Hz (et les bruits générés par les platines disque) sont probablement dus à des causes différentes (par exemple, le blindage). Apprenez à faire la différence entre les deux.

Figure 6. Si l'installation partage la même alimentation entre les parties forts et faibles courants, le meilleur câblage de masse pour la partie faible courant est de ne pas mettre de connexion de masse provenant directement de l'alimentation ! La connexion de masse de l'alimentation continue est réalisée directement via les masses des entrées et sorties des sous-ensembles.
