CHOUR - Régleur de montres mécaniques / chronocomparateur RM3

Appareil : Chronocomparateur (régleur de montres mécaniques)
Date : mars - mai 2019, révision matériel, 06/2022
Type : PC-RM3
Marque : Chour
Dernière version logicielle : V2.1
Principaux constituants : Arduino mega 2560 rev V3, Arduino pro micro, PC-RM2, afficheur graphique tactile, amplificateur
Avertissement
Je considère PC-RM3 comme un prototype et je n'en conseille pas la réalisation. Si vous êtes intéressé par un Chronocomparateur très performant avec affichage graphique, mieux vaut aller sur la page de PC-RM4 qui propose un tel appareil pour un coût a peu près équivalent à celui-là. De plus, il est probablement plus simple à monter.
Présentation
L’appareil présenté sur cette page une version graphique de PC-RM1. Il s'agit d'un régleur de montres mécaniques d’atelier de faible coût. On l’appelle également Chronocomparateur. Il permet de vérifier la dérive d’une montre (plus ou moins un certain nombre de secondes par jour) et de la régler afin de minimiser cette dérive. Le détail de l'appareil se trouve sur la page PC-RM1
Si vous souhaitez en savoir plus sur le réglage des montres, vous pouvez aussi consulter cette page.
Quelques caractéristiques du régleur de montre
Ce régleur de montre vise :
- Un coût de réalisation très faible (environ 40€, capteur compris, à peine plus cher que PC-RM1), pour peu que vous soyez un minimum bricoleur.
- Une taille réduite afin de pouvoir être facilement posé sur une paillasse toujours trop encombrée…
- Une très grande facilité d’emploi.
- Une bonne précision de mesure (on y reviendra).
Les principales fonctionnalités sont les suivantes :
- Alimentation via USB en 5V.
- Sélection du nombre de battements par heure.
- Sélection d'une durée d'occultation de la mesure.
- Déclenchement, pause, reprise ou réinitialisation de la mesure.
- Mesure et affichage de la différence entre la période mesurée de la montre et la période attendue.
- Mesure et affichage de la différence entre la durée d’un « tic » et la durée d’un « tac ».
- Mesure et Affichage du nombre de secondes d’avance ou de retard par jour.
- Capteur PC-RM2 piezo externe sans amplification.
- Résolution théorique de 4µs et précision théorique de 1% (voir le chapitre consacré à ce sujet pour en savoir plus).
Avertissement : la version 2.1 de PC-RM3 a subi une modification matérielle importante par rapport aux versions précédentes. Pour en savoir plus, consulter ce paragraphe
Les principales différence avec PC-RM1 :
- Affichage graphique de la marche de la montre sur écran 480x320 pixels au lieu d'un afficheur alphanumérique.
- Possibilité d'indiquer une durée d'occultation de la mesure pour éliminer les impulsions parasites. A la différence de PC-RM1, il n'y a pas d'occultation matérielle (NE555 sur PC-RM1). Dans PC-RM3, la sortie de l'amplificateur du capteur est directement reliée à une entrée logique du microcontrôleur qui se charge d'éliminer les bruits parasites.
- Microcontrôleur Arduino Mega 2560 R3 pour l'affichage.
- Microcontrôleur Arduino Pro Micro pour la mesure.
Microcontrôleur pour l'affichage
Le microcontrôleur est un Arduino Mega 2560 16MHz que l’on trouve pour environ 7,5€. Son programme est en téléchargement sur cette page.

Arduino 2560 R3
Il communique avec la carte Pro micro via une liaison asynchrone (Serial1).
Attention : certaines cartes clones chinoises ont une erreur de sérigraphie pour la voie série n° 1. TX1 et RX1 sont inversés. La photo de la carte MEGA sur cette page a une sérigraphie correcte.
Microcontrôleur pour la mesure
Le microcontrôleur est un Arduino pro-micro 16MHz que l’on trouve pour environ 5€. Son programme est en téléchargement sur cette page.

Arduino Pro Micro
Il communique avec la carte MEGA via une liaison asynchrone (Serial1).
Afficheur
L’afficheur LCD est de type 3.5" TFT LCD Color Screen Module 480*320 pour Arduino MEGA 2560 + Touch Pen que l'on trouve pour environ 7,70€.

Afficheur 3,5 pouces, 480 x 320 pixels, tactile
Capteurs
Des capteurs sont décrits sur cette page PC-RM2. Un exemple ci-dessous (mais il y a plus simple).
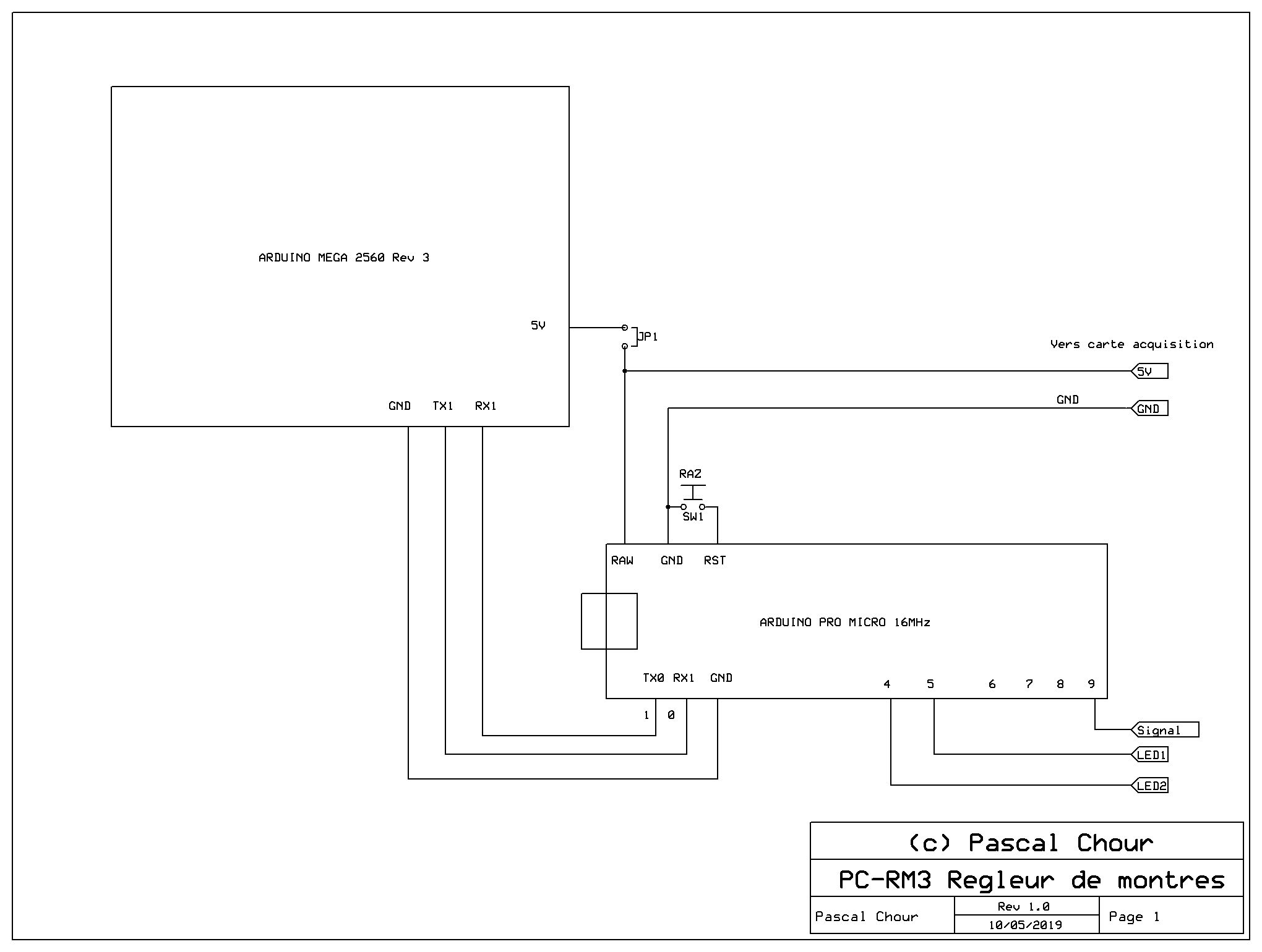
Schéma électronique

Signal sur pin 9, LED1 sur pin 5, LED2 sur pin 4 de la carte Pro Micro
Le schéma électronique est très simple : l'écran est directement branché sur la carte arduino (c'est fait pour). Sur une petite carte additionnelle, on réalise l'amplificateur dont le schéma est inspiré de celui qui se trouve sur le site http://www.watchoscope.com. Les principales différences sont les suivantes :
- Contrôle de gain amélioré.
- Utilisation d'un LM324 au lieu d'un TL074 ce qui permet d'alimenter le montage en 5V.
Pour plus de détail sur l'amplificateur, voir la page sur PC-RM4. Vour remarquerez que sur la version PC-RM4, il y a une mise en forme du signal par un BS170, ajout que je vous conseille fortement d'adopter.
Le reste de la carte comporte les deux LEDs commandées par le processeur Pro micro. Une prise Jack complète l'ensemble.

Connexions entre Pro Micro et Mega.
Les connexions entre la carte additionnelle et l'Arduino pro-micro sont les suivantes :
- 5 volts de la carte additionnelle sur le 5V de la carte Arduino pro micro.
- Masse de la carte additionnelle sur masse (Gnd) de la carte Arduino pro micro.
- LED1 et LED2 de la carte additionnelle sur 4 et 5 de la carte Arduino pro micro (l'ordre n'a pas d'importance).
- Signal de la carte additionnelle sur 9 de la carte Arduino Pro micro
Les connexions entre la carte Pro micro et la carte MEGA :
- 5 volts de la carte MEGA sur le 5V de la carte Arduino pro micro.
- Masse de la carte MEGA sur masse (Gnd) de la carte Arduino pro micro.
- RX1 de la carte MEGA sur TX de la carte Pro Micro
- TX1 de la carte MEGA sur RX de la carte Pro micro
Pour la mise au point, prévoyez un strap amovible permettant d'isoler le 5V venant de la carte MEGA du 5V de la carte Pro micro. Lorsque ce strap est oté, cela vous permet de brancher sans risque les deux cartes via leur connecteur USB. En fonctionnement normal, ce strap doit être mis et l'ensemble est alimenté par la carte MEGA.
Interface utilisateur
Comme pour PC-RM1, J’ai souhaité réaliser un appareil très simple d’utilisation, ne comportant que très peu de commandes. Cela implique que tout un tas de réglages disponibles sur d’autres appareils ne sont pas présents ce qui n'est pas forcément un mal pour un appareil d'atelier.
L’appareil comporte donc un afficheur graphique tactile et deux LED pour signaler le battement.
Le mode d’emploi est donc le suivant :
A la mise sous tension, l’afficheur vous propose une liste de battements par heure et une durée d'occultation par défaut qui est en fait une fenêtre de mesure. Voici quelques explications du principe.
Durée d'occultation

Supposons qu'un certain Tic intervienne au temps T1. Le suivant doit intervenir au temps T2 = T1+durée d'une demi période.
La fenêtre de mesure autorisée est centrée sur T2. Les impulsions ne sont prises en compte que dans la zone verte. Si une impulsion survient dans la première zone grisée en rouge (avant T2), elle est ignorée. Si l'impulsion survient au delà de la zone verte, cela signifie probablement qu'un signal a été perdu. Le chronocomparateur ignore cette donnée et tente de se resynchroniser sur une autre impulsion.
Pour une montre qui bât à 18000 coups par heure, la demi-période (durée entre un Tic et un Tac) est de 200ms. Si l'on choisit une durée d'occultation de 9/10, les impulsions ne seront prises en compte qu'entre T1+180ms et T1+220ms.

Menu de sélection des battements et de la durée d'occultation.
La photo correspond à une version 2.0 du logiciel.
Depuis la version 2.1, la lettre S en bas à droite de l'écran est remplacée par un C
Les valeurs proposées sont proposées en fraction de la durée d'une demi-période de battement :
- 50ms : Fenêtre minimum permettant d'éliminer le train d'onde généré par la montre.
- 1/4 : 1/4 de la durée d'une demi période. Par exemple, pour un battement de 18000 coups par heure, la période est de 400ms, la demi période est de 200ms, 1/4 de cette durée donne 50ms de durée d'occultation autour de la demi-période attendue (200ms). Toutes les valeurs entre 50ms et 350ms après le dernier Tic (ou Tac) seront acceptées
- 1/2 : 1/2 de la durée d'une demi-période.
- 3/4 : 3/4 de la durée d'une demi-période.
- 9/10 : 9/10 de la durée d'une demi-période. Par exemple, pour un battement de 18000 coups par heure, les valeurs acceptées devront donc se trouver entre 180ms et 220ms après le dernier Tic (ou Tac).
Il est conseillé de choisir une valeur d'occultation élevée lorsque l'on se trouve dans un environnement très bruité.
Sélection du battement de la montre
Les valeurs disponibles sont programmées. Il n’y a pas de recherche automatique du nombre de battements. Ce n’est pas que cette fonction soit difficile à réaliser mais en pratique, elle n’est pas très fiable, surtout si votre montre est très déréglée.
L'appareil passe en mesure dès que le nombre de battements est sélectionné.
Ecran de mesure

Ecran de mesure. La photo correspond à une version 2.0 du logiciel.
Depuis la version 2.1, la lettre S en bas à droite de l'écran est remplacée par un C
En haut de l'écran se trouvent, la différence entre le Tic et le Tac, la différence entre la période mesurée et la période attendue, la différence moyenne entre la période mesurée et la période attendue depuis le début de la mesure, l'avance/retard calculé de la montre sur 24 heures. Les unités d'affichage sont sélectionnées automatiquement par le programme. Elles sont exprimées en µS, ms, s, ou mn. "***" signifie un dépassement de capacité (valeur trop grande pour être affichée).
Chaque valeur est rafraichie alternativement toutes les secondes. Il faut donc 4 secondes pour que l'ensemble des valeurs soient rafraichies.
En bas de l'écran se trouve un bouton marqué "Pause". L'appuie sur ce bouton stoppe la mesure courante et affiche 3 bouton :
- Reprise : il s'affiche à la place du bouton pause en Rouge. l'appuie sur ce bouton permet de reprendre la mesure.
- Reinit : l'appuie sur ce bouton réinitialise la mesure. Toutes les valeurs déjà mesurées sont remise à zéro.
- Battement : permet de revenir à l'écran du coix des battements et de la durée d'occultation.
On y trouve également l'indicateur de communication (voir plus loin).
La partie centrale de l'écran affiche la différence entre la demi-période mesurée et la demi-période attendue pour le Tic et le Tac. La ligne blanche au centre correspond à une différence de zéro. L'objectif du réglage est de faire en sorte que les deux courbes (celle du Tic et celle du Tac) soient le plus près possible de la ligne centrale (raquette Avance/Retard). Les graduations autour de la ligne centrale sont en ms. Les valeurs au dessus et en dessous de 6ms ne sont pas affichées.
A noter que la ligne centrale comporte un indicateur en rouge qui progresse en fonction de l'avancement de la mesure.
Indicateur de communication
Un indicateur comportant la lettre "C" est présent en bas à gauche sur l'écran de sélection des battements et des durées d'occultation ainsi que sur l'écran de mesure. Cet indicateur est de couleur verte si les communications sont bien établies entre la carte MEGA et la carte Pro micro et rouge sinon.
Synchronisation de la carte de mesure
La synchronisation permet à la carte de mesure de repérer les débuts de signaux utiles pour la mesure. Cette synchronisation se déroule de la façon suivante :
- L'appareil recherche une absence de signal d'une durée de 50ms.
- Lorsqu'il en a trouvé une, il attend le premier front montant qui correspond normalement à la phase de "dégagement" de l'échappement (voir cette page si vous ne voyez pas de quoi il s'agit). A partir de ce moment, l'appareil se considère comme synchronisé.
- Il se considère comme désynchronisé si aucun signal n'apparait dans la fenêtre de mesure qui dépend du battement sélectionné pour la montre en cours de mesure.
Précision et résolution de l’appareil
Voir PC-RM1.
mars 2019
Modifications à partir de la version 2.1
Ce paragraphe est plutôt destiné aux personnes qui auraient construit les versions antérieures à la version 2.1/
Les premières versions de PC-RM3 n'utilisaient qu'une seule carte Arduino (MEGA 2560) pour la gestion des affichages et de la mesure. Il est apparu que l'affichage graphique consommait beaucoup de ressources et que le fonctionnement de la bibliothèque graphique perturbait le fonctionnement du timer de l'Arduino.
Depuis la version 2.1, la mesure est effectuée par un Arduino pro micro dédié qui communique ses données à la carte MEGA. La précision de mesure y a gagné car la seule interruption provient du signal du capteur et le traitement très court de cette interruption ne perturbe pas le timer du processeur.

Prototype. A partir de la version 2.1, lPC-RM3 comporte une carte Pro Micro pour la mesure.
Ce n'était pas prévu au départ d'où une carte supplémentaire. En pratique, tout peut tenir sur un seul circuit imprimé.

Fixation de la carte MEGA.

Prototype. Cette version (V1.0 et V1.1) utilisait PC-RM2-A et disposait d'un circuit de mise en forme
à base de NE555. La version actuelle utilise PC-RM2 et ne dispose plus de circuit de mise en forme. Il est remplacé par un amplificateur.





