Continental Edison CT9537

En cours de test, sans son capot, et avec un bouton imprimé mais non peint
Type : chaîne HiFi intégrée Amplificateur / Platine vinyle / Tuner
Marque : Continental-Edison
Modèle : CT9537
Année : 1975
Dimensions : 490x390x200 (longueur profondeur hauteur en mm)
Poids : 13,5kg
Amplificateur, tuner et préamplificateur
Puissance : 2x25W RMS sous 4 ohms, possibilité d'avoir une ambiophonie réglable avec deux enceintes supplémentaires sous 4 ohms
Bande passante : 10Hz à 40kHz
Distorsion harmonique totale : < 0,5%
Correcteurs : grave, aigu, présence (correcteur sur le haut-médium) séparés pour chaque voie, ambiophonie, filtre anti-rumble, filtre coupe-haut (en fait, filtre passe-bas et passe-haut), Bouton "linéaire" qui permet de déconnecter le filtre physiologique (Loudness) actif par défaut.
Entrées audio : Magnétophone (auxilliaire) / antenne FM 300 ohms ou 75 ohms / antenne AM externe et Antenne cadre intégrée.
Sorties audio : une sortie ligne / une sortie casque / quatre sorties haut-parleur
Commutateurs : Mono-stéréo / enregistrement / disque vinyle / FM (U) / GO (L) / PO (M) /OC (K) / 5 stations préréglées / CAF (contrôle automatique de fréquence) / Silence / Marche-arrêt général
Indicateurs : 7 voyants pour stations préréglées et manuelles / stéréo (en FM) / puissance signal reçu / Affichage fréquence analogique.
Autres : Bouton de recherche de station, 6 boutons pour accord présélection FM.
Bandes de fréquences du récepteur : FM 87,5 à 104MHz / GO 140 à 270kHz / PO 510 à 1640kHz / OC 5,85 à 7,6MHz
Vinyle
Type : Perpetuum Ebner PE3044
Principe : rotation par moteur synchrone piloté par la fréquence secteur, transmission par galet
Fonctions : 33/45 tours, Manuelle/automatique, Levier de montée/descente du bras, réglage fin de la vitesse, réglage poids et anti-skating, dispositif optionnel d'alimentation des disques
Cellule et diamant : Shure M75D par défaut
INTRODUCTION
Je venais de réparer, voire de restaurer, une petite chaîne intégrée Grundig Studio RPC 50 (platine vinyle, tuner et lecteur de cassette) et une grosse chaîne intégrée Saba Stéréo Compact 963 quand j'ai été tenté par cette chaîne Continental Edison CT9537 sur LeBonCoin. Elle semblait originale, n'avait pas de magnétophone ce qui la rendait plus compacte que les autres et elle semblait plus puissante que la chaîne Saba.
Lorsque je l'ai achetée en 2025, je n'avais trouvé aucune information à son sujet sauf le schéma sur le site de DocTsf.
Mais suite à une discussion initiée sur le forum Retrotechnique.org, d'autres informations ont émergé.
Tout d'abord, comme on pouvait s'en douter étant donné les sérigraphies sur les circuits imprimés, il s'agit d'un matériel allemand. On sait même désormais qu'il est sorti des usines Körting et qu'il a été vendu sous différents noms dont :
- Körting Compact Model 743
- Görler Studio C612 - type 36655
Sur certains modèles, le boitier était couleur bois, sur d'autres comme le mien, il était blanc, sur certains modèles, la cellule était une Shure M75D, sur d'autres une Ortofon, parfois, la platine était une PE3044, parfois une PE3015, etc.
À partir de là, il était plus facile de retrouver d'autres caractéristiques sachant que le marché allemand était beaucoup plus développé que le marché français et que l'industrie allemande exportait. La référence Continental-Edison CT9537, probablement dédiée au marché français qui était assez confidentiel, est donc probablement la moins connue.
Cette page comporte deux parties :
- La première fournit un avis sur cette chaîne et une comparaison avec les Grundig Studio RPC 50 et Saba Stéréo Compact 963 sur différents plans : qualité de fabrication, performances, avantage et inconvénient.
- La seconde décrit les réparations et les réglages que j’ai dû faire pour la remettre en état. Il y en a eu un paquet !
À propos, une telle chaîne est-elle encore utilisable en 2025, date de la création de cette page ?
Si vous souhaitez écouter des disques vinyle, la FM avec un tuner qui s’arrête à 104MHz et que vous aimez le vintage, alors pourquoi pas. Mais ne rêvez pas, il vous faudra probablement faire pas mal de réparations, ne serait-ce que pour la sécuriser. Sinon, passez votre chemin.
PRÉSENTATION
Généralités
La chaîne est plus compacte que la chaîne Grundig et évidemment, que la Saba.

Fonctionnellement, elle est très complète avec en particulier ses différents filtres commutables, son indicateur de fréquence analogique pour le pré-réglage des stations FM, sa capacité d'ambiophonie, etc. Par contre, elle n'a pas de magnétophone à cassette ce qui m'arrangeait. Pour l'aspect, on aime (c'est mon cas) ou pas mais elle est originale. Et puis, la sérigraphie est en français.
Cette chaîne propose un tuner FM avec 6 stations préréglées qui s'avère très sensible mais qui s'arrête à 104MHz comme celui de la Saba. Pour mémoire, il y a aussi les gammes de plus en plus abandonnées OC, PO et GO. Un vue-mètre indique la puissance de réception et un autre, la fréquence de réception (pour la FM uniquement).
L'amplificateur est suffisamment puissant pour un usage domestique (2x25W), le tuner est très sensible en FM, la platine est une Perpetuum-Ebner PE3044 (racheté par Dual. La marque avait disparu mais a repris du service dans les années 2020). C'est la même que sur la Saba et elle est mécaniquement bien construite.
Fabrication
Châssis
Le chassis est un bloc en plastique dans lequel vient se glisser par l'avant l'ensemble de la chaïne. La façade est en aluminium.
Là où ça se gâte, c'est lorsqu'on accède à l'intérieur : des torons de fils partout (on dirait du Philips !) qui relient sans connecteurs les différents circuits imprimés. Mécaniquement, l'assemblage est une horreur si l'on considère la facilité d'accès pour les réparation. Il y a des vis à tête hexagonale inaccessibles sans une clé à tube très fine, des composants plutôt bas de gamme (beaucoup de résistances agglomérées un peu partout), etc. Continental Edison a privilégié l'aspect extérieur au détriment de la fiabilité et de la qualité de construction.
Pour couronner le tout, l'ensemble avait fait l'objet de tentatives de réparations qui n'ont pas arrangé les choses.
Tout cela m'a fait penser à une histoire d'Achille Talon dans l'album « Achille Talon au pouvoir ». En guise de réconciliation, Achille a reçu en cadeau de son voisin Hilarion Lefuneste un moulin à café qui explose à la première utilisation. Anxieux que son voisin s'en aperçoive, il l'emporte chez le réparateur du coin, Vincent Poursan.

Électronique
La chaîne Grundig fait appel à 4 circuits imprimés reliés entre eux par des nappes munis de connecteurs. Sur la chaîne Saba, on en avait une douzaine reliés par des connecteurs également. Sur la chaîne Continental Edison, on en a peut-être un peu plus d'une douzaine (ça fait quand même beaucoup) qui sont reliés entre-eux par des torons de fils rigides sans connecteurs.
- Alimentations continues (1 circuit).
- Prises arrières (2 circuits).
- Amplificateur (1 circuit).
- Tuner/radio et divers autres éléments (marche-arrêt général, préamplificateur phono) (5 circuits).
- Commutateur sensitif (1 circuit).
- contrôles grave-aigus, ambiophonie (2 circuits).
- Préamplificateur (1 circuit).
Ci-dessous, quelques vues du bazar.



Conclusion
Cet ensemble est esthétiquement assez réussi et extérieurement plutôt bien construit. Par contre, en interne, la construction laisse à désirer, surtout si on a une intervention à faire et il faut prévoir d'y passer quelques jours. Si vous achetez un tel ensemble en 2025, vous aurez forcément beaucoup de réparations à faire, sauf à l'avoir acheté à quelqu'un qui a déjà fait le boulot dans les règles de l'art.
Donc, si vous n’êtes pas à l’aise avec l’électronique et la mécanique et que vous n’êtes pas outillé en conséquence, vous risquez des désillusions.
RÉPARATIONS ET RÉVISIONS
Lorsque j'ai reçu cet appareil, j'ai eu la mauvaise surprise de constater que la platine PE3044 avait subi des dommages durant le transport malgré un emballage particulièrement soigné.


Quelques investigations supplémentaires m'ont permis de constater que la platine comme l'appareil avaient subi des tentatives de réparations malheureuses, j'y reviendrai plus loin. Bref, la situation ne se présentait pas bien.
Extraction du châssis et de la platine
La première chose à faire est de sortir la platine du boitier. Sur ces modèles, on procède toujours de la même façon : il faut commencer par retirer le plateau. Pour se faire, il faut retirer le couvre-plateau (collé) puis retirer un circlips qui bloque le plateau sur son axe puis enfin, retirer le plateau lui-même.
Ensuite on dévisse les deux grosses vis chromées situées sur la platine puis on cherche la position qui permet de soulever la platine. Ceci-fait, on déconnecte l’alimentation du moteur (sur cette platine, il faut dévisser le cache pour accéder aux connecteurs qui alimentent le moteur (parfois, il s’agit simplement de retirer un connecteur) et déconnecter le câble qui relie la platine à l’ampli. Ce dernier se trouve sous un blindage en métal qu’il faudra éventuellement retirer. Sur ma platine, le blindage avait disparu.
J’ai mis un peu de temps avant de réussir à sortir le châssis de l’électronique de son boitier. J’avais bien repéré qu’il ne pouvait que glisser vers l’avant une fois les 5 vis situées sous le boitier dévissées mais il était complètement coincé. Avec un peu de persévérance, il a fini par sortir. Avant tout cela, n’oubliez pas de sortir les boutons de présélections des stations (simplement clipsés, il faut les tirer vers le haut).
Un détail concernant les vis qui fixent la plaque arrière sur le châssis : comme toutes les autres vis, leurs têtes sont hexagonales. Vous vous apercevrez que vous ne pouvez pas utiliser une clé à 6 ou 12 pans classique sans qu'elle frotte sur le retour du châssis où il y a la sérigraphie. Il vous faudra une clé très fine pour éviter ce frottement. Peut-être une raison : la sérigraphie en français est imprimée sur une plaque en aluminimum collée sur le retour ce qui créé une surépaisseur. Je ne sais pas comment étaient construites les version allemandes mais cette surépaisseur est la cause de la gêne. Pour ma part, j'ai changé ces vis par des modèles à têtes cruciformes.
Démontages du châssis
Comme souvent sur les appareils de cet âge, j’ai remarqué que l’interrupteur marche-arrêt était coincé et que le précédent propriétaire l’avait simplement court-circuité pour que l’ensemble fonctionne. Il allait donc falloir intervenir pour le remettre en service ou le changer. Mais vu son emplacement, j’ai longtemps hésité sur la façon de procéder, entre faire un démontage minimum de l’appareil avec les difficultés d’accès à l’électronique que cela implique ou dégager tout ce qui gênait pour avoir un meilleurs accès. Si j’ai un conseil à donner si vous devez intervenir sur l’électronique et nettoyer le clavier, n’hésitez pas à (presque) tout démonter. Sauf qu’il y a un « mais »... Il y a beaucoup de vis qui relient les éléments de la structure métallique qui composent le châssis. Toutes ne sont pas du même diamètre et certaines têtes de vis (hexagonales) sont difficilement accessibles (celles qui tiennent le clavier) sans une clé de 5,5mm extrêmement fine. Vous aurez intérêt à repérer les vis et leurs logement pour le remontage et changer les vis inaccessibles à tête hexagonales par des vis classiques dévissable avec un honnête tournevis.
Démontage du clavier
Hormis le problème des vis évoquées précédemment, il faut retirer les tiges en plastiques qui actionnent les contacteurs du clavier.
Du côté du bloc clavier lui-même, il n’y a pas de difficulté : chaque tige est insérée sur un bouton et elles se retirent très facilement.
Du côté des contacteurs, les tiges sont enfoncées sur les axes du contacteurs. Il faut les faire glisser (vers le haut) en procédant avec soin et sans trop forcer pour ne pas risquer de casser les axes des contacteurs.

Démontage du cadran
Le bloc cadran (qui tient le cadran qu’il faut retirer pour ne pas l’abimer, les indicateurs à aiguille et le voyant stéréo, les boutons de présélections des stations) est clipsé sur la face arrière, le côté gauche et la structure en métal qui tient le bouton de recherche des stations. Pour accéder à l’électronique, vous devrez le démonter en prenant soin de ne pas casser l’aiguille en plastique (il faut la relever). Dans mon cas, le « destin » m’a aidé : le fil qui retient l’aiguille était très abimé et a fini par casser. Sur le coup, je me suis dit que ce serait une galère à remettre mais au moins, pour les réparations, je n’ai pas eu de scrupule à retirer complétement le fil et la poulie du condensateur variable (ce qui s’est avéré utile par la suite).
Sauf à tout dessouder, vous ne pouvez pas retirer complètement le bloc cadran mais ce n’est pas très gênant pour les réparations : il y a assez de fil pour le dégager à un endroit où il ne gêne pas lors des interventions.
Autres démontages
Toujours pour faire de la place, j’ai retiré le bouton de recherche des stations (2 vis qui fixent son support en métal, un clips sur l’axe).
J’ai aussi démonté la partie du châssis qui supporte les potentiomètres afin de pouvoir les nettoyer (cette partie est fixée, à droite sur le châssis principal, à gauche sur le support en métal du bouton de recherche des stations). Vous devrez aussi (ou pas) démonter la prise casque et dessouder son fil de masse du châssis.
Je passe rapidement sur les autres démontages qui sont plus évidents, en particulier ceux qui retiennent les circuits imprimés aux châssis. Une mention spéciale toutefois pour 3 cartes qui sont montées sur des connecteurs sur la platine « principale » (celle où il y a la partie radio, le bouton marche arrêt et le préampli phono). Une de ces platines comporte un blindage métallique qui est retenu par 3 pattes formant ressort, elles-mêmes soudées sur le circuit-imprimé. Sur mon appareil, le blindage était soudé sur l’une de ces pattes.
Interrupteur marche-arrêt
L’interrupteur marche-arrêt comporte deux fois deux bornes. Il commande également un petit commutateur situé à l’arrière du bouton. L’ensemble remplit trois fonctions :

- Mettre en marche ou couper l’alimentation secteur en commutant seulement un des fils d’arrivée du secteur sur deux bornes du commutateur.
- Mettre en marche ou couper l’alimentation 14 volts sur les deux autres bornes (je ne sais pas pourquoi).
- Via le petit commutateur à l’arrière de ce bouton, mettre en marche ou couper l’arrivée du signal à amplifier sur l’amplificateur de façon à éviter que celui-ci ne continue à fonctionner après une coupure du secteur (avec le son qui s’évanouit au fur et à mesure que le condensateur de filtrage d’alimentation se décharge).
Je passe sur les détails de la tentative de réparation de l’interrupteur (dessoudage, démontage, nettoyage…). Cette tentative a débloqué l’interrupteur mais il y avait un autre problème : le mécanisme qui permet de bloquer ou débloquer l’interrupteur en position marche ou arrêt était abimé et le fonctionnement de l’interrupteur était erratique.

Comme je n’ai pas trouvé d’interrupteur en mesure de commander le commutateur qui se trouve derrière, j’ai fait une transformation radicale :
- J'ai mis un nouvel interrupteur que j'avais en stock.
- Il coupe désormais la phase et le neutre du secteur.
- Un relais sur 230V coupe ou met en marche le 14 volts et l’arrivée du signal à amplifier sur l’amplificateur.
Le relais et son support en impression 3D :

Il m'est cependant arrivé une mésaventure. J'avais terminé les réparations et je remettais le clavier en place. Mais lorsque j'ai voulu actionner l'interrupteur marche-arrêt, ça ne fonctionnait plus. La raison : il y a très peu d'espace entre le bouton marche arrêt et le bloc clavier et le ressort de rappel de l'interrupteur frottait et empêchait son fonctionnement. Par chance, j'avais refait mon stock d'interrupteurs de ce type et j'avais pris des modèles dans lequel le ressort de rappel se trouve à l'intérieur de la tige de commande. Sauf que bien sûr, il fallait revoir tout le principe de fixation de l'interrupteur. Ca m'a pris une journée, à chercher un moyen pour le fixer, à re-démonter une partie de l'amplificateur, à transformer la partie de la mécanique de l'ampli sur laquelle devait se fixer l'interrupteur, à usiner des pièces en métal, etc. Mais désormais, ça fonctionne. Une photo du bloc clavier et de l'interrupteur pour ceux qui ne verraient pas de quoi il s'agit :

Première mise en marche
Avant de mettre en fonction l’appareil, j’ai déconnecté les fusibles des voies d’amplification qui se trouvent sur la ligne d’alimentation.
Appareil sous tension, la première bonne surprise a été que les condensateurs de filtrage des diverses alimentations n’ont pas explosé.
La seconde bonne surprise était que les tensions d’alimentation étaient à peu près conformes avec celles du schéma :
- La tension de l’alimentation de l’amplificateur de -41V était de -43V. Un peu supérieure à ce qui était attendu mais rien d’anormal pour un appareil prévu pour fonctionner sur 220V alors qu’il est alimenté en 230V-240V et qui ne débite rien puisque la carte d'amplification était déconectée.
- Une tension était légèrement inférieure à celle qui était attendue mais elle peut être réglée via R908. Réglage effectué, j’ai obtenu les +31V attendus.
- Les tensions de -14,5V et -24V étaient correctes. À noter qu’elles sont régulées par des transistors au germanium (AC180) ! Sans doute quelques fonds de tiroir…
- La tension de 12V était dans la norme (redressement et filtrage direct sur un secondaire du transformateur).
- La tension de 6,3V alternatif était dans la norme.
Les ampoules d’éclairage du cadran et des indicateurs s’allumaient ce qui est donne un peu de vie à l’ensemble.
Révision de l’alimentation
Je n’étais pas du tout en confiance avec les condensateurs chimiques. Le gros condensateur de filtrage de l’alimentation de l’amplificateur semblait avoir été changé ou si ce n’est pas le cas, son mode de fixation était plutôt surprenant pour un appareil sorti d’usine.
J’ai donc entrepris le changement de tous ces condensateurs. Je soupçonne néanmoins que certains avaient été changés par le précédent propriétaire (fabrication différentes).
Si vous changez le condensateur de 4700µF, prenez au minimum un condensateur de 50V et si possible, 63V. ATTENTION : le plus du condensateur va sur le châssis (0V) : l’amplificateur est alimenté en -41V !
Beucoup d'ajustables Piher étaient en mauvais état (dont ceux de l’amplificateur qui avaient énormément dérivé). Si vous avez des difficultés à régler le +31V, pensez à vérifier ce point (R908).

Réparation et réglage du tuner
Réparations
Je n’ai révisé que la FM mais à l’usage, les autres bandes semblent fonctionner également.
La première chose à faire a été de débloquer le CV qui était en partie bloqué par de la graisse séchée. Je suppose que ce blocage a fragilisé la ficelle qui actionne l’aiguille du cadran et que c’est pour cette raison qu’elle a cassé.
Pour faciliter le travail, il faut démonter le circuit-imprimé sur lequel se trouve l’antenne cadre (quelques vis). Il est relié à la platine principale par un connecteur qu’il faut également retirer.
Pour débloquer le CV, il faut démonter la poulie d’entrainement de la ficelle (une vis), chauffer le canon de l’axe du condensateur variable, jusqu'à ce qu'on puisse tourner l'axe sans trop d'effort. Ensuite, il faut huiler l'axe (il y aun petit regard sur le canon qu'il faut en général déboucher) et graisser la démultiplication.
J’ai ensuite nettoyé (bombe contact) et graissé les potentiomètres de réglage des stations pré-réglées.
Après branchement d’une antenne FM et remise en route de l’appareil, j’ai eu le plaisir de constater que l’indicateur de puissance de la réception fonctionnait, du moins, lorsque j’arrivais à sélectionner une position stable sur le sélecteur à touche sensitive de stations : celui-ci démarrait sur la position 6 puis de temps en temps, changeait spontanément de position. Encore un truc à réparer…
La réception fonctionnait que ce soit via le réglage des stations par le cadran et son aiguille ou par les potentiomètres des stations préréglées. Par contre, l’indicateur de fréquence (galvanomètre de 200µA) restait en position fixe.
Après démontage, de cet indicateur, j’ai constaté que son axe était cassé (peut-être durant le transport). Par chance, j’avais un indicateur du même type qui fonctionnait. Je me suis contenté de mettre l’échelle de l’indicateur qui ne fonctionnait pas sur celui qui fonctionnait et j’ai remonté le tout.
Par contre, il m’a fallu procéder au réglage de cet indicateur car sa sensibilité était légèrement différente de celui d'origine (voir section réglage). Cette opération est assez simple si on ne recherche pas une grande précision (ce qui est inutile) :
De nouveaux tests m’ont permis de constater que l’indicateur du décodage stéréo fonctionnait. En général, dans mon atelier, j’ai beaucoup de mal à capter les stations en stéréo. Le tuner semble donc plutôt sensible.
J'ai terminé la réparation de la partie tuner par le remplacement des lampes d'éclairage à incandescences par des lampes à LED. On peut gagner jusqu'à environ 700mA sur la basse tension 6,3V en faisant cette opération.
Pour ce qui est de la modulation d'amplitude, je n'ai pas trop cherché. À la date de réparation de cet appareil, sur un Grundig Satellit 2400 avec son antenne interne, je ne reçois rien en grandes ondes, une ou deux stations en petites ondes, et plus grand chose sur la première bande ondes-courtes. Sur le récepteur du Continental-Edison, je ne recevais rien en grandes-ondes (du bruit qui varie un peu), rien en petites-ondes et quelques porteuses en ondes courtes mais sans que la démodulation me donne quelque chose d'intelligible. Sachant que la démodulation AM-FM est confiée à un circuit spécialisé TBA570 et qu'il fonctionne en FM, je pense qu'il fonctionne aussi en AM. À ce jour, en AM, la partie préamplification fonctionne, le condensateur variable agit et le niveau de réception fonctionne. Du coup, il ne reste plus grand chose à tester et je mets l'absence de réception sur le compte de l'absence d'émissions suffisament puissantes pour ce récepteur. Par contre, en AM, il reçoit très bien les parasites des lampes à LED !
Réglages du zéro l'accord de syntonisation
Appuyez sur le bouton des ondes moyennes (PO). Ajustez le réglage de l'aiguille de manière à ce qu'aucune station ne soit reçue. Réglez l'aiguille d'accord de syntonisation sur le repère 1 à l'aide de R459 (la documentation dit R439, il s'agit d'une erreur)
Réglages du fréquencemètre
- Il y a trois ajustables à régler : R463 (96Mhz), R467 (104MHz) et R468 (88MHz).
- Sélectionnez la position 1 (si vous pouvez) qui correspond à la recherche des stations non préréglées.
- Faites l’accord (la poulie du condensateur variable) en position minimum (rotation anti-horaire jusqu’au blocage de la rotation) ce qui correspond théoriquement au 88MHz.
- Réglez R468 pour que l’aiguille se positionne sur 88MHz.
- Faites tourner la poulie d’un tour dans le sens horaire ce qui correspond au milieu du cadran soit théoriquement 96MHz.
- Ajustez R463 pour que l’aiguille se positionne sur 96MHz.
- Faites tourner la poulie dans le sens horaire jusqu’au blocage ce qui correspond théoriquement au 104MHz.
- Ajustez R467 pour que l’aiguille se positionne sur 104MHz ou un peu plus haut.
- Revérifiez les positions pour 96MHz et 88Mhz et réajustez en conséquence si besoin.
Note : c'est la procédure que j'ai suivie. Néanmoins, ayant eu la documentation après coup, je signale que celle-ci indique qu'il faut commencer le réglage par la fréquence 96MHz, puis 104MHz puis 88 MHz.
Réparation du sélecteur de station FM
Le sélecteur de station FM utilise des touches sensitives gérées par des circuits SAS560 et SAS570. En général, ce système est une horreur à réparer.
Pour commencer, la platine TP02961 de mon appareil (celle qui gère ces touches) ne correspond pas au plan dont je dispose. Les différences sont minimes mais je suppose qu’il y a eu quelques problèmes de mise en point. En particulier, il y a un transistor sur la sérigraphie qui a été remplacé par un condensateur chimique qui de toute façon n’apparait pas sur le schéma dont je dispose.
Ensuite, elle se positionnait sur la station 6 au démarrage et avait une fâcheuse tendance à y revenir spontanément au bout de quelques temps lorsque par miracle, on parvenait à sélectionner une autre touche.
De manière générale, si les circuits SAS560 et SAS570 fonctionnent plus ou moins, il y a de bonnes chances qu’ils fonctionnent parfaitement et que le problème vienne d’ailleurs.
La cause principale de panne de ce genre de touches sensitive est une résistivité anormalement basse entre les capteurs des touches. Cela peut venir d’une dérive des résistances associées aux touches (10Mohms), de traces de quelque chose autour de ces résistances ou des touches elles-mêmes qui sont plus ou moins conductrice (il ne faut pas grand-chose).
Dans tous les cas, il faut procéder à un nettoyage (à l’alcool) de toute le bloc de touches, de son connecteur, des résistances de 10Mohms et du circuit imprimé associé jusqu’aux entrées 10, 12, 14 et 16 des circuits intégrés SAS560 et 570.
Évitez d’utiliser des produits qui laissent une substance de protection comme les produits KF.
Dans mon cas, cela n’a pas suffi. Par contre, le vernis de protection du circuit imprimé, en particulier au niveau des circuits intégrés, ne me semblait pas bien net. J’ai décapé ce vernis (à la brosse métallique et à la mini-perceuse) puis j’ai procédé à un nettoyage à l’alcool. Miracle, le clavier s’est mis à fonctionner normalement en affichant la position 1 à la mise sous tension (et pas 6) et en commutant correctement lorsqu’on passait le doigt sur les touches.
Pour finir, voici quelques informations complémentaires sur cette platine :
Les circuits SAS560 et 570 ont apparemment été prévus pour fonctionner sur des appareils japonais ou américains pour lesquels la tension secteur est de 110V/120V alternatif et pour lesquels l’alimentation secteur n’est pas intégralement coupée par le marche-arrêt. Le schéma d’application de ces circuits montre une arrivée de 110V sur la broche 7 (via une résistance de 10kohms et une zener de 33V) dont le but est de maintenir l’alimentation de la mémoire de la dernière sélection. Ainsi, lors de la remise sous-tension, c’est la dernière station choisie qui est sélectionnée.
Dans le cas présent, il n’y a pas de mémorisation des stations. Le circuit est censé revenir à la position 1 à chaque remise sous tension.
Rôle de R207 : l’ajustable R207 est destiné à ajuster la recherche des stations sur le cadran principal (probablement le 88 ou le 104MHz).
Éclairage des touches : faut-il remplacer les lampes lucioles (12V, 0,03A) par des LED ? Chez moi, toutes les lucioles fonctionnaient donc je ne les ai pas remplacées. Mais si vous faites ce remplacement avec des LED récentes, vous devrez ajouter une résistance en série sur chaque LED (au moins 1kohms, probablement plus selon la LED) ou peut-être mieux, remplacer R218 par une résistance de plus forte valeur (mais ce n’est pas ce que préconise le fabricant). Avec une diode moderne, un courant de 1mA suffit pour éclairer correctement la touche.
Réparation et réglage de l’amplificateur
Réparations
Ayant remis en marche certaines fonctions, je suis ensuite passé à l’amplificateur qui avait visiblement été bricolé (un fusible changé, les transistors de compensation en température non fixés au radiateur, etc.). Il est nécessaire de le démonter pour intervenir sachant qu’on ne peut pas accéder au circuit par en dessous comme pour les autres.

Il est tenu par une vis. Le reste du circuit s’encastre dans le châssis. Il faut aussi dévisser les transistors de puissance du châssis qui forme le radiateur (attention, deux transistors sont isolés du châssis).
Lors de mes premières mesures statiques, j'ai constaté des valeurs aberrantes sur les ajustables. Par ailleurs, les condensateurs de sortie étaient en mauvais état (gonflés). Par contre, les transistors de puissance semblaient bons (mesure statique sur circuit, pas de court-circuit).
Après changement des ajustables et des condensateurs chimiques, j’ai remonté le circuit imprimé et refixé les transistors de puissance, puis j’ai mis en route une voie. J’ai constaté que le ça chauffait fort du côté des transistors de puissance puis le fusible a cédé. Idem sur l’autre voie.
N’étant pas trop en confiance avec cet amplificateur, j’ai finalement décidé de le changer par des modules à base de TDA 2050 qui peuvent fonctionner jusqu’à 50V en alimentation non symétrique (moins de 3 euros le module).

Le schéma du module est très proche du schéma d'application que l'on peut trouver dans les spécifications du produit. Ci-dessous, en rouge, les valeurs qui diffèrent et avec un point bleu, les composants à changer si l'on veut dépasser 35V de tension d'alimentation ce qui est le cas ici.

La tension d'alimentation maximum du module est de 30V (tension de service des condensateurs de 1000µF = 35V). Si on veut le faire fonctionner en 43V, il faut changer C3 et C7. La tension de service de C2 est de 25V ce qui est suffisant (1/2 de la tension d'alimentation) mais pour ma part, j'ai mis un 63V. C6 et C5 supportent au moins 50V et peut-être même 63V donc pas besoin de les changer.
J'ai aussi réalisé un petit support en impression 3D avec les fusibles pour l'installer dans l'appareil :

Il faut modifier le circuit d'alimentation de l'ampli. La carte d'amplification d'origine est alimentée en -41V (-43V depuis qu'on est en 240V secteur). Cette tension négative sert aussi à produire deux autres tensions régulées négatives. Le plus simple est de prendre le +43V en sortie du pont de diodes de puissance et générer une tension négative à l'aide d'un second pont de diodes pour générer les 2 tensions négatives :

Mais en fait, je n'ai pas fait la transformation. Comme la livraison de ces modules prenait du temps, j'ai aussi tenté de réparer la carte d'amplification d'origine.
Sur une des voies, 5 transistors avaient dégagé : les deux transistors de puissance, leurs drivers et le transistor de compensation en température. Par contre, sur l'autre voie, les transistors étaient encore bons. J'ai donc mis la carte sur ma paillasse et je l'ai alimenté avec une alimentation de laboratoire avec limitation de courant.
Les résultats n'étaient pas concluants : l'alimentation se mettait en sécurité.
J'ai alors vérifié sans trop y croire quelques résistances. Il s'agit de résistances agglomérées qui ont tendance à dériver par excès ce qui les rend faciles à vérifier sur circuit : par exemple, si une résistance marquée 1000 ohms présente une résistance réelle bien supérieure (par exemple, 1500 ohms) alors, vous pouvez suspecter qu'elle est hors service (tolérance 10% pour les modèles utilisés). Et de fait, j'en ai trouvé quelques unes (des 1000 ohms en l'occurence) qui étaient au delà de leur tolérance. Mais dans l'ensemble, elles étaient plutôt restées stables.
Après changement de ces résistances, j'ai remis l'ampli sous tension. Miracle, il a fonctionné. Sauf que... En touchant le radiateur, l'alimentation s'est de nouveau mise en sécurité. Diagnostic : les isolants des transistors de puissance n'isolaient plus que partiellement. J'avais pourtant vérifié l'isolation avant les tests mais la panne était intermittente.
Après changement des isolants, l'amplificateur a fonctionné plutôt très correctement, y compris sur des signaux carrés. La carte en cours de réparation :

J'ai procédé de même avec la seconde voie (en plus du changement des transistors) et elle a aussi repris vie.
Réglages
Pour les réglages du point de fonctionnement et du courant de repos (à faire pour pour chaque voie), le manuel de service précise ceci (avec quelques interprétation de ma part car il y a eu moins une erreur) :
- En premier lieu, vérifiez la bonne valeur de la tension d'alimentation (41V théorique, 43V depuis qu'on est en 240V de tension secteur).
- court-circuitez l'entrée de l'ampli (19 et 18 à la masse) de la platine 02501 (référence du circuit imprimé de l'amplificateur). Avec un voltmètre d'une résistance minimum de 50 kohms/V (en fait, n'importe quel multimètre actuel à 10€ fait beaucoup mieux donc pas de problème), ajustez la tension centrale à +20V avec R302. Note : la documentation d'origine parle de connecter les points 10 et 9 à 0 ce qui n'a pas de sens).
- Connectez un ampèremètre à la place du fusible Si342. Réglez R310 pour obtenir 50 mA.
La carte a d'amplification est réglée en usine à la valeur requise. Sauf que si comme chez moi, les ajustables ont dérivé et doivent être changés, il faut refaire ces réglages.
Réglez R316 afin d'obtenir 1V aux points 2 et 3 pour 20mV aux points 19 et 18 (je suppose qu'il faut injecter un signal sinus de 20mV RMS sinon, ça n'a pas de sens).
Un ami m'a signalé que les condensateurs de sortie que j'ai utilisés sont un peu insuffisants en courant (Nichicon série VX). Malheureusement, les condensateurs axiaux sont de moins en moins courants et les séries à fort courant n'existent (à des prix raisonnables) que pour des versions radiales. Je ferai peut-être l'adaptation... Un jour.
La carte d'origine réparée dans l'appareil :

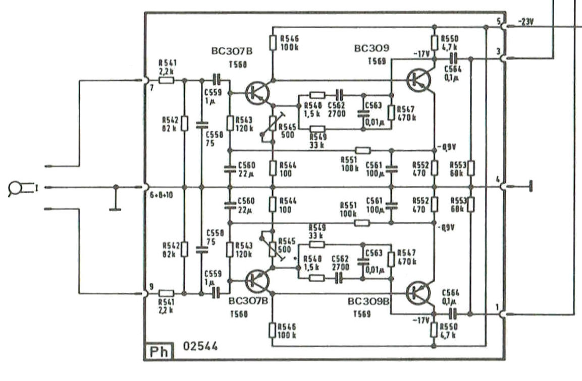
Préampli phono
Le préampli phono assure la correction RIAA. Le manuel de service donne la procédure pour le réglage des ajustables :
- Injectez un signal de 1,43 mV à 1000 Hz dans TA1 à l'aide d'un générateur de signaux présentant une impédance de 1 kΩ ou plus.
- Réglez la tension de sortie de la carte 02544 aux points 3 et 1 à 100 mV à l'aide des ajustables R545.

Pour faire ce réglage, le plus simple est de mettre la carte sur un plan de travail et de l'alimenter avec une alimentation de laboratoire. Attention, elle est alimentée en -23V. Vous injectez les signaux sur les points 7 et 9 et vous mesurez en 1 et 3.
Avant de faire cette manipulation, je vous conseille de vérifier ou changer les condensateurs chimiques (2 de 100µF et 2 de 22µF). Chez moi, un des condensateurs était mort. De même, les ajustables avaient beaucoup dérivé (>700 ohms au lieu de 500 ohms). On peut les changer ou pas mais dans mon cas, les réglages étaient à refaire.
Je n'ai pas pu obtenir les -17V indiqués sur le schéma. Chez moi, ça plafonne à 12 ou 13V selon la valeur de l'ajustable.
1,43mV, je ne sais pas faire. J'ai injecté 2mV et j'ai réglé la sortie à 150mV de façon arbitraire. Un point à noter concernant ce réglage : cet appareil était généralement livré avec une cellule Shure M75 6S ou ED qui a un niveau de sortie élevé (6,2mV). La plupart des cellules que j'ai trouvé en 2025 à des prix raisonnables sortent entre 4 et 5mV. Je pense qu'avec ces cellules, il ne faut pas hésiter à augmenter le niveau de sortie afin d'avoir un niveau sonore suffisant sans pour autant mettre l'amplificateur à fond. Pour information, chez moi, le niveau de sortie maximum que l'on peut obtenir est de 800mV.
La platine
Réparations
La platine est de bonne qualité mais avec 50 ans, une révision complète est indispensable.
En plus de la casse, j'ai constaté qu'elle avait été bricolée : une partie du mécanisme de l’automatisme n’était simplement pas remonté correctement ce qui bloquait tout l’ensemble. Par ailleurs, elle était dans un état général assez lamentable (graisse séchée, poussière collée, etc.). Mais à part la casse durant le transport, le reste semblait complet et devait pouvoir être remis en service.
Au minimum, il vous faudra tout dégraisser et regraisser. Pour ce faire, j’utilise un dégraissant en bombe de chez Bardhal qui n’abîme pas les matières plastiques et qui est le plus efficace que j’ai trouvé. Dans le cas présent, le disque codeur (partie jaune) était quasiment bloqué par la graisse séchée.
Pour le graissage, j’utilise une graisse au lithium. Pour le huilage, j’utilise soit une huile pour moteurs anciens (compatible avec le bronze et le cuivre) soit de l’huile de synthèse pour machine à coudre.
Ci-après, quelques images de la mécanique de la platine :

Disque codeur démonté

Support roulement plateau

Vue d'ensemble de la mécanique de la platine

Détail sur disque codeur et suivi

Détail sur changement de diamètre disque

Détail sur changement de diamètre disque et réglage vitesse

Détail sur disque codeur (nettoyé)
Après ce traitement, l’ajout du « fameux » cabochon (Steuerpimpel) pour l’entrainement du bras en mode automatique, le repositionnement correct de la pièce 155 dans son logement et quelques réglages, l’ensemble a fonctionné en faisant tourner le plateau à la main.


Détail sur cabochon
Le support cassé du bras posait un problème plus ardu. J’avais 3 possibilités :
- Acheter un nouveau bras avec son support. Trop cher.
- Recoller les morceaux cassés. Pas beau.
- Faire un support en impression 3D. Ce que j’ai fait.
Une image du support de bras. J’ai mis le fichier STL du support sur Cults3D.


Et comme un fait exprès, j'ai trouvé une platine PE3044 pour pièce à un prix très raisonnable. Après démontage, nettoyage, dégraissage, regraissage, etc. Elle s'est avérée parfaitement fonctionnelle et cerise sur le gâteau, elle est plus complète que celle que j'avais : présence d'un blindage sur le moteur, d'un blindage sur le bloc de connexion du signal utile vers l'extérieur, présence des connecteurs femelle d'arrivée du secteur. Du coup, c'est elle que j'ai utilisée.
Boîtier et mécanique
J'ai repeint la partie noire du boitier à la bombe (noir mat) et changé quelques vis par des modèles plus pratiques.
Il manquait un cabochon de bouton. Comme ces boutons sont quasi-introuvables, j'ai refait le cabochon en impression 3D que j'ai peint en noir mat (ce que j'avais sous le coude) mais il faut un noir satiné. La photo qui suit est avant finition.

Fil de l'aiguille des stations
J'utilise un fil tressé de 0,4mm prévu pour la pêche.
Le chemin de câblage n'est pas trop complexe sur ce modèle, à la différence de certaines réalisations où le fil d'entrainement fait des tours et des détours.

La longueur du fil d'origine était d'environ 80cm~81cm. Idéalement, il ne faut faire que 2 tours au niveau de la poulie d'entrainement pour éviter que les fils ne se chevauchent et bloquent le mécanisme mais pour ma part, j'en ai fait trois. J'ai fait deux tours de fils sur la poulie d'entrainement du condensateur variable. Comme j'avais trop de longueur, j'ai fait un tour de fil sur l'axe interne de cette poulie.
REMONTAGE
Le plus compliqué est de remettre en ordre le fouillis de fils qui circule dans l'ampli puis de remettre l'électronique dans le boitier : ça frotte beaucoup et les 5mm restants ne sont pas faciles à atteindre ! Il est possible que le boitier se soit un peu déformé tellement il est difficile d'y faire entrer, ne serait-ce que la face avant. J'ai passé un coup de râpe et de papier de verre sur certaines parties pour faciliter l'insertion.

Tout allait donc bien, la platine fonctionnait (bon, j'avais oublié de remettre un clip, il a fallu que je la ressorte), la radio aussi, j'ai donc remis le massifs capot en plexyglass (épais et lourd). Mais il était écrit qu'à chaque fois que je tentais quelque chose sur cet appareil, un problème nouveau apparaitrait. Dans le cas présent, le capot était de travers.
ALIGNEMENT DU CAPOT
J'ai pas mal galéré pour remettre le capot droit (décalage d'environ 5mm à l'extrémité du capot). J'ai espéré un moment qu'il y avait un système de réglage (par exemple, avec un excentrique) mais après avoir démonté une charnière, je n'ai rien trouvé. Sur la photo ci-dessous, les différentes pièces qui composent une charnière.

Partant de là, j'avais plusieurs possibilités :
- Chauffer le plastique pour le déformer. Le capot est en deux partie. Une est une sorte de U qui est censée être fixe et qui repose sur l'arrière de l'appareil. Le capot lui-même est fixé à cette partie en U via les charnières. C'est la partie en U que j'ai envisagé de déformer légèrement. Mais c'était trop risqué.
- Faire une rondelle en plastique d'épaisseur variable (une cale en fait) pour orienter le capot. Je n'ai pas essayé mais l'idée est à creuser.
- Tordre les pattes des charnières qui entrent dans le boitier. C'est ce que j'ai fait dans un premier temps.
Après plusieurs essais, j'ai réussi à avoir un résultat à peu près correct. Mais en fait, je soupçonnais que le problème venait d'une usure de la partie du boitier dans lesquelles viennent s'insérer les pattes des charnières.
Sinon, le système de freinage du capot au niveau des charnières est plutôt efficace. Si vous voulez démonter les charnières :
- Retirez le capot du boitier.
- Retirez les fragiles enjoliveurs qui se trouvent sur la partie intérieure des charnières (ils sont collés).
- Avec une clé de 18, dévissez les sortes d'écrous qui permettent de régler la pression pour le freinage du capot. C'est un peu dur au départ car il y un frein de filet sur les filetages.
- Derrière ces écrous se trouve une rondelle ressort.
- Si vous voulez démonter complètement les charnières (par exemple, pour faciliter leur torsion comme j'ai fait), il vous faudra retirer un des enjoliveurs qui se trouvent sur la partie extérieure des charnières (ils sont collés). Je suppose qu'un ancien propriétaire avait tenté d'ôter ces enjoliveurs sans y parvenir car ils étaient un peu abimés.
- À partir de là, tout se démonte.
Lors du remontage, n'oubliez pas de remettre un frein de filet sur les vis-écrous une fois le réglage du frein effectué... Ce que je n'ai pas fait car j'en avais un peu marre. Et puis finalement, cette solution ne me convenait pas et j'ai redémonté l'ampli pour voir comment étaient fixées les pattes du capot à l'intérieur du boitier.

Les pattes des charnières s'insèrent dans une pièce en bois rainurée à l'intérieur du boitier. À l'arrière du boitier, de chaque côté, une vis permet de bloquer ces pattes dans les rainures et, je suppose, permettent d'agir légèrement sur la position des pattes (plus ou moins en avant), justement pour que le capot tombe droit. Je dis "je suppose" car de fait, elles agissent mais je ne sais pas si c'est due à l'usure des rainures ou pas. Toujours est-il que d'un côté, lorsque je tentais de bloquer le capot, la patte basculait vers l'arrière (donc, la rainure ne maintennait plus la patte en position verticale), le capot reculait de ce côté et du coup il n'est plus centrée. Ce phénomène ne se produisait pas de l'autre côté.
La première idée qui vient pour tenter de régler le problème est de mettre des cales dans les rainures. Après divers essais non-concluants, j'ai finalement imprimé plusieurs cales en 3D ce qui a réglé deux problèmes liés :
- une patte avait tendance à basculer vers l'arrière lorsqu'on ouvrait le capot : normal, les rainures étaient trop profondes vers l'avant du boitier. À chaque fois qu'on ouvre le capot, les pattes s'appuient sur ces rainures et finissent par les creuser.
- Les cales ont réglé en grande partie le décalage du capot. C'était fait pour.
Je n'ai eu besoin que d'une cale pour un des côtés du capot. La dimension de celle qui a été utilisée est : largeur=2,5mm, longueur=50mm, hauteur=1,5mm-4mm.
Par contre, il y a un inconvénient : les cales doivent être mise par en dessous dans les rainures et pas par au-dessus. Cela implique de mettre le capot en place avant de réinstaller l'électronique. Et si on retire le capot, la cale va tomber. On peut envisager de la coller dans la rainure mais lorsqu'on va remettre le capot, la patte risque de forcer sur la cale et de la décoller. On ne peut pas tout avoir...
CONCLUSION
Si l'on fait abstraction de la partie mécanique et du câblage fouillis, l'appareil est plutôt sympathique une fois remonté. Étonnemment, il est très agréable à l'écoute. Son tuner est sensible, son encombrement est limité, sa platine disque est plutôt de bonne qualité, bref, on a à faire à un bon appareil moyen de gamme, simple à utiliser et disposant de plusieurs fonctionnalités qu'on ne trouve plus sur les appareils modernes.
décembre 2025




